| 获成果评价年度: | 2021届市优评选活动 |
|---|---|
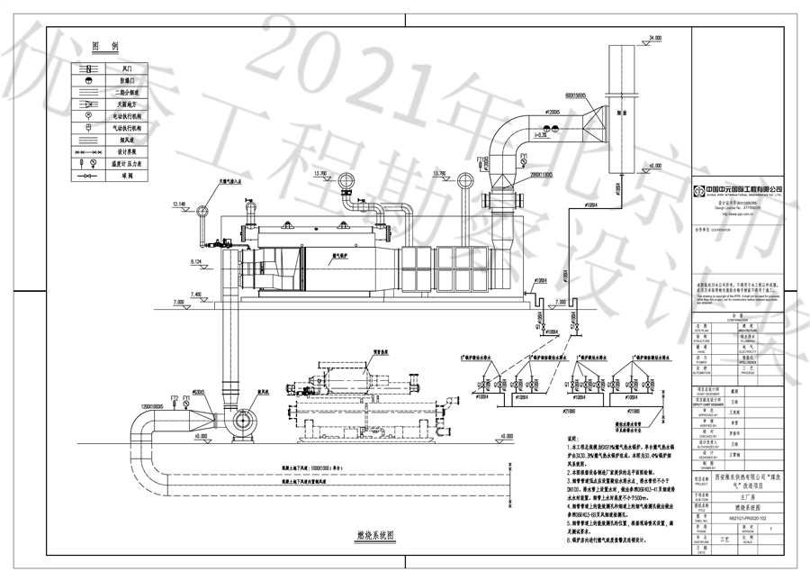
| 成果评价: | 燃气热力工程综合奖(综合奖) |
| 获成果评价单位: | 中国中元国际工程有限公司 |
| 获成果评价等级: | 二等奖 |
| 成果评价类别: | 市政公用工程 |
| 项目类型: |
项目介绍:
| 姓名 | 项目所在单位 | 专业 | 职称 | 工作职责 |
|---|---|---|---|---|
| 闵娜 | 中国中元国际工程有限公司 | 热能动力 | 正高级工程师 | 项目经理 |
| 张伟 | 中国中元国际工程有限公司 | 热能动力 | 正高级工程师 | 主要负责人 |
| 王皓 | 中国中元国际工程有限公司 | 热力 | 高级工程师 | 设计主师 |
| 王霄楠 | 中国中元国际工程有限公司 | 热力 | 工程师 | 热力负责人 |
| 张建勋 | 中国中元国际工程有限公司 | 结构 | 工程师 | 结构负责人 |
| 冀翔 | 中国中元国际工程有限公司 | 给排水 | 工程师 | 给排水负责人 |
| 师帅 | 中国中元国际工程有限公司 | 自控 | 工程师 | 自控负责人 |
| 宫春洋 | 中国中元国际工程有限公司 | 建筑 | 工程师 | 建筑负责人 |
| 沈雯 | 中国中元国际工程有限公司 | 电气 | 工程师 | 电气负责人 |
| 赵秉南 | 中国中元国际工程有限公司 | 暖通 | 工程师 | 暖通负责人 |
| 吴凡 | 中国中元国际工程有限公司 | 总图 | 工程师 | 总图负责人 |
| 宋献 | 中国中元国际工程有限公司 | 热力 | 工程师 | 设计人 |
| 邢芳 | 中国中元国际工程有限公司 | 热力 | 工程师 | 设计人 |
| 丁思源 | 中国中元国际工程有限公司 | 热力 | 工程师 | 设计人 |
| 朱吉锋 | 中国中元国际工程有限公司 | 热力 | 助理工程师 | 设计人 |
| 单位 |
|---|
| 无 |
| 条目 | 单位 |
|---|---|
| 建设单位 | 注册后可添加 |
| 施工单位 | 注册后可添加 |
| 建材及设备供应商 | 注册后可添加 |
展示图片: